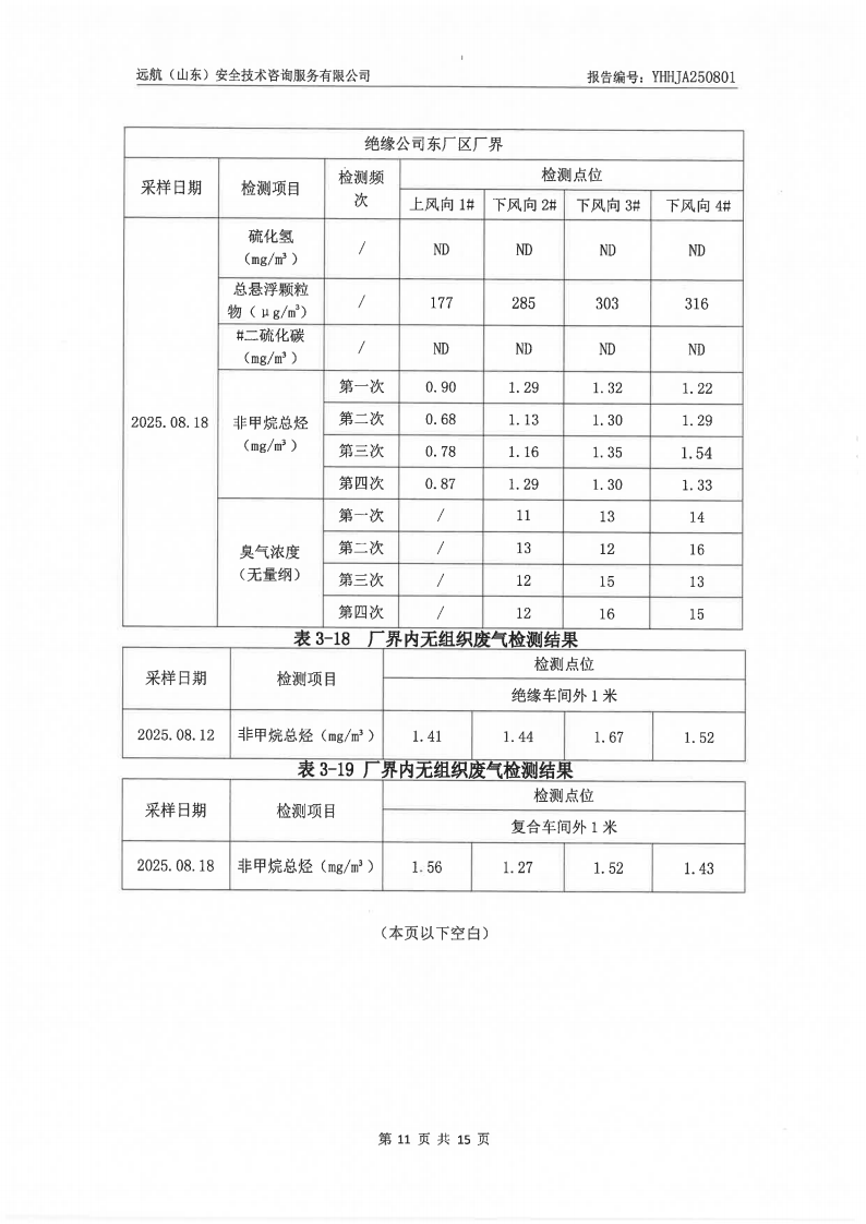
山东泰开电器绝缘有限公司2025年三季度检测报告
发布时间:
2025-09-06
作者:
资料来源:
















关键词:
最新动态
2025-12-29
2025-09-06
山东泰开电器机构有限公司 气体绝缘输电母线及机构精益生产项目调试公示
2025-12-15
山东泰开电器机构有限公司 气体绝缘输电母线及机构精益生产项目竣工公示
2025-12-15
2025-11-26
发布时间:
2025-09-06
作者:
资料来源:
















关键词:
最新动态
2025-12-29
2025-09-06
山东泰开电器机构有限公司 气体绝缘输电母线及机构精益生产项目调试公示
2025-12-15
山东泰开电器机构有限公司 气体绝缘输电母线及机构精益生产项目竣工公示
2025-12-15
2025-11-26